
銳創(chuàng)軸承為用戶提供VLU系列內外雙法蘭型回轉支承(轉盤軸承),該類軸承屬于輕系列,無齒型,內圈,外圈均帶法蘭的四點接觸球轉盤軸承,可代替INA公司VLU系列軸承,降低客戶采購成本。同時我們也可以根據客戶自己的需要重新設計,我們經驗豐富,產品系列齊,完可以滿足用戶對標準和非標準軸承的需要,歡迎新老客戶前來訂購。
|
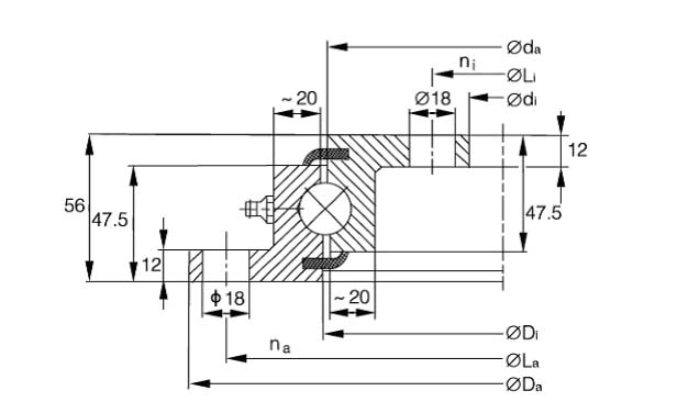
外形尺寸 |
對應型號 |
重量 KG |
|||||||
|
Da |
d i |
H |
INA |
SKF |
KAYDON |
Rollix |
Rothe Erde |
Mijnsbergen |
|
|
518 |
304 |
56 |
VLU200414 |
RKS.23 0411 |
RK6-16P1Z |
23-0411-01 |
230.20.0400 |
SD.505.20.00 |
24 |
|
648 |
434 |
56 |
VLU200544 |
RKS.23 0541 |
RK6-22P1Z |
23-0541-01 |
230.20.0500 |
SD.650.20.00 |
31 |
|
748 |
534 |
56 |
VLU200644 |
RKS.23 0641 |
RK6-25P1Z |
23-0641-01 |
230.20.0600 |
SD.750.20.00 |
37 |
|
848 |
634 |
56 |
VLU200744 |
RKS.23 0741 |
RK6-29P1Z |
23-0741-01 |
230.20.0700 |
SD.850.20.00 |
43 |
|
948 |
734 |
56 |
VLU200844 |
RKS.23 0841 |
RK6-33P1Z |
23-0841-01 |
230.20.0800 |
SD.950.20.00 |
48 |
|
1048 |
834 |
56 |
VLU200944 |
RKS.23 0941 |
RK6-37P1Z |
23-0941-01 |
230.20.0900 |
SD.1050.20.00 |
54 |
|
1198 |
984 |
56 |
VLU201094 |
RKS.23 1091 |
RK6-43P1Z |
23-1091-01 |
230.20.1000 |
SD.1200.20.00 |
62.5 |